
Obvod pro rekuperaci brzdné energie z elektromotorů. Pro zpomalení elektromotoru musí být ze systému odstraněna zbývající kinetická a magnetická energie. To se obvykle provádí pomocí brzdných rezistorů, které přeměňují energii na teplo.
Kromě problému, že rezistor musí přivádět velmi vysoký výkon po velmi krátkou dobu, má to nevýhodu, že energie uvolněná při brzdění již nemůže být využita.
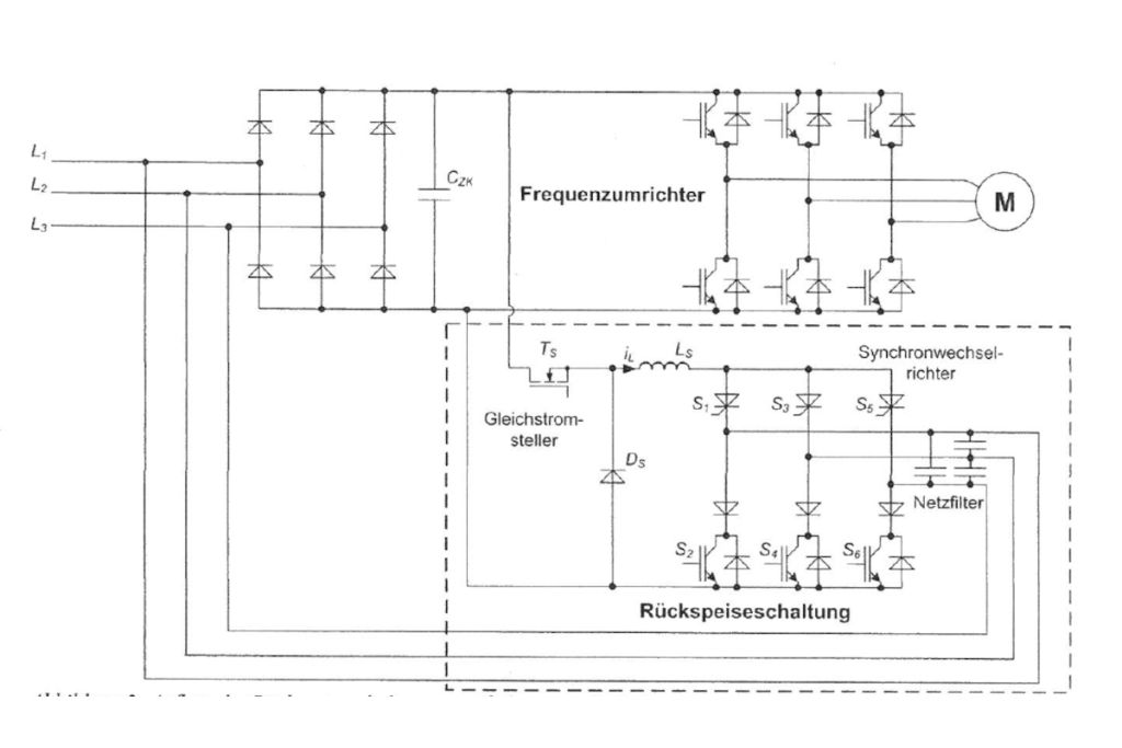
Nový brzdný rezistor sestává z výkonového elektronického obvodu, pomocí kterého může být brzdná energie přiváděna zpět do třífázového systému. Obvod byl optimalizován pro nejvyšší spolehlivost, malou velikost síťového filtru a s ohledem na výkon EMC.
Brzdný rezistor je navržen tak, aby jej bylo možné nejen integrovat do nových systémů, ale také nahradit konvenční brzdné rezistory. Taková retrofit kit umožňuje ekologicky a bez velkého úsilí dovybavit i roky provozované elektromotory. Rekuperace brzdné energie umožňuje šetřit energii, snižovat náklady a odlehčit životnímu prostředí.
Metoda byla ověřena experimentálně. Vývojový tým nabízí prodej nebo licencování patentu. Je možná také spolupráci na dalším vývoji technologie.
Jedinečnost produktu
Dohodou
Celá ČR a SR
Máte-li zájem o více informací, neváhejte se na nás kdykoliv obrátit. Podrobnější informace o zmíněném patentu, včetně představení produktu, Vám rádi poskytneme po uzavření dohody o mlčenlivosti (NDA).
Kontakt:
Petr Hamrozi
Trh firem
NejBusiness.cz
Mobil: +420 733 139 882 (CZ), +421 915 946 533 (SK), +48 600 636 460 (PL)
E-mail: trh@nejbusiness.cz
15. ledna 2024